Wiring Diagram For 2005 Jeep Grand Cherokee Trailer

Wiring Diagram For 2005 Jeep Grand Cherokee Trailer

Wiring Diagram For 2005 Jeep Grand Cherokee Trailer. SaveSave Jeep Grand Cherokee WJ Electrical Wiring Diagram For Later. I don't have the wiring diagram for the harness that comes out.

Jeep Grand Cherokee 1998 Brake Light Wiring Diagram | All ...
Jeep Grand Cherokee 1998 Brake Light Wiring Diagram | All ... (Agnes Park)
Run a wire to the fuse box for switched power. Whatever type of Jeep Grand Cherokee you own, Haynes have you covered with comprehensive guides that will teach you how to fully Written from hands-on experience gained from the complete strip-down and rebuild of a Jeep Grand Cherokee, Haynes can help you understand, care for and. Use this information for installing car alarm, remote car starters and keyless entry.

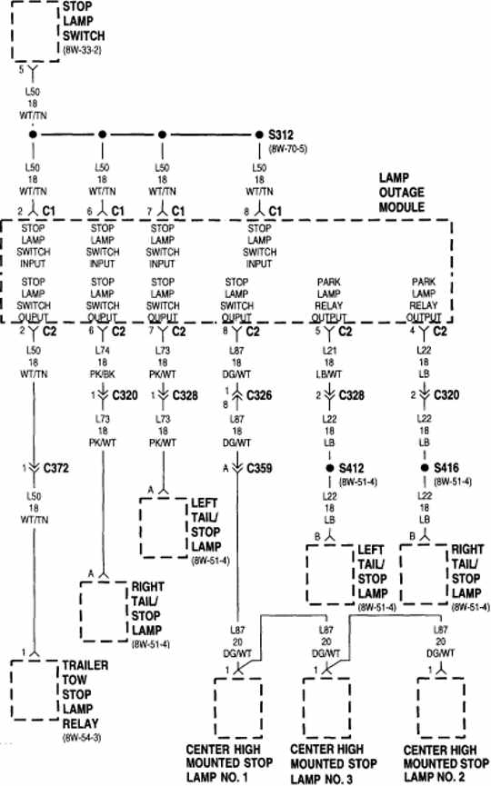
The Trailer Tow Wire Harness makes it easy to add towing capability to your Grand Cherokee without having to splice a lot of wires.

We've checked the years that the manuals cover and Here's a non exhaustive list of what's covered; Jeep Cherokee service manual for roadside repairs.

2005 Jeep Grand Cherokee Engine Performance Circuit Wiring ...

SOLVED: I need help with a wiring diagram for my 92 Jeep ...

Awesome Wiring Diagram Jeep Grand Cherokee #diagrams # ...

Hopkins® - Jeep Grand Cherokee 2005 Towing Wiring Harness

2005 Jeep Grand Cherokee Wiring Diagram Manual Original

2017 Jeep Grand Cherokee Wiring kit. Trailer tow - 4 way ...

Jeep Liberty Trailer Wiring Diagram | Trailer Wiring Diagram

Jeep Grand Cherokee WK - Towing

I need a wiring diagram for my 2005 Jeep Liberty CRD's ...

Car Radio Ground Wire: Black Car. The TPS needs power and Ground to create a throttle angle voltage signal. These Cherokee manuals have been provided by our users, so we can't guarantee completeness.

Share:

Posting Lainnya:

Disqus Comments